詳情介紹:
簡介
石英砂過濾器(又稱機械過濾器、砂過濾器等)是將需過濾的水經泵升壓后(約0.6MPa)通過濾層達到過濾目的,所以又稱壓力式過濾器。

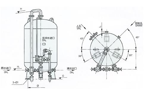
單流式機械過濾器外形尺寸

石英砂過濾器(又稱機械過濾器、砂過濾器等)是將需過濾的水經泵升壓后(約0.6MPa)通過濾層達到過濾目的,所以又稱壓力式過濾器。



雙流式機械過濾器外形尺寸


工廠生產現場實物圖片
工廠生產實物












